Worm Drive Mangueira Clamps-mini-tipo

zoom
Category:Série de grampos
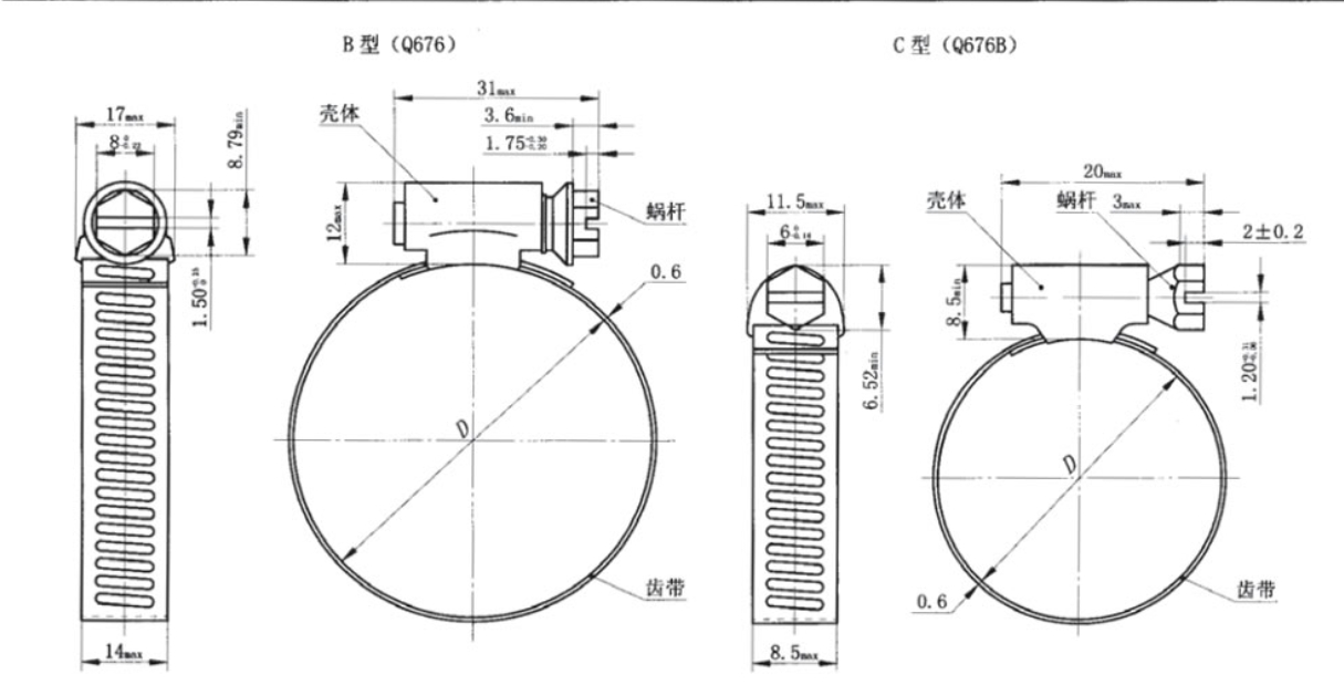
Product description:

Band width    :8mm    

Band material:200/300/400 grade stainless   steel    

Screw             :6.35 or 6.0mm hex-head ;carbon   steel plated zinc or stainless steel    



Products Inquiry